L1® Research Project History

From Bose Portable PA Encyclopedia
Jump to navigation Jump to search

This Page Reviewed By Bose

Fountain Pen
Fountain Pen

This article is an editorial and expresses the opinion and experience of Ken Jacob the author. Please post comments in the discussion page.
Thank you.


Message from Ken Jacob

The following is a message from Ken Jacob, one of the two originators of the L1 research project.

Please don't edit. Please use the discussion section - see tab above - to leave a message about the content.

On October 15, 2003, Bose introduced an entirely new approach to live music amplification.

At the time we launched, I can honestly say that while we were utterly confident through our testing that the benefits we were claiming were real, we just didn't know if musicians would want to try it, much less spend their hard-earned money for it. I literally lay awake many a night in the days, weeks and months leading up to our first press event on October 15 wondering if anyone was going to buy even a single L1 system.

Not only was my anxiety unfounded, what's happened has surpassed even what we allowed ourselves to dream when we were alone and thinking about how profound and positive the changes were we were observing in our live music tests.

In the past five years many tens of thousands of musicians in over one hundred countries have purchased one or more L1 systems. And what they have said about the differences owning an L1 has meant to them now constitutes an avalanche of positive evidence -- much of it here on this online forum.

The L1 approach is what I would call radical. Fundamentally, it replaces most or all of the amplification equipment that evolved in the last half of the 20th century. It replaces triple systems (PA, monitors, backline) which were found in our research to be at the heart of the persistent and acute complaints from musicians and audiences alike about the sound of live amplified music, with a simple, naturalistic approach that is more based on the evolution of unamplified music than the ever-louder, ever more complicated, ever more isolating amplification systems that evolved in the last 50 years.

In the history of hi-fi, as a parallel industry, I can think of no technology that is as radical. That is why we felt it was possible to call the L1 approach an entirely new approach.

The fact that musicians around the world, including most of you, were willing to cast off years of refinement in triple systems -- and more pointedly, attempt to cast of the problems that never went away no matter how much more sophisticated the gear became -- is for me an extraordinary story of courage and daring.

The fact that you did this, and that the results as written here and elsewhere, and on the delighted expressions of audience members, is something that I will treasure forever. It is something that I literally think about every day of my life, and will think of every day for the rest of my life.

Thank you, from the bottom of my heart.

We'd like to take the opportunity afforded by our 5th anniversary to share with you some of the things that occurred in the ten or so years of work that preceded the launch, and also some of the things that happened as we launched, and as this community started to build.

Many of my colleagues will contribute their part of the story.

We also invite you to share any of your experiences that you feel could contribute to recounting and recapturing some of the early history of the L1.

It is hard to believe that such a radical new technology has done so well. When I scan for similar successes of something so radical succeeding so much in such a short time, I come up with little. The Fender bass comes best to mind. Just imagine what it will be like to write the 10-year story of the L1.

With love, admiration and appreciation,


Ken Jacob
Co-originator of the L1 research project
Director, Advanced Development
Bose Professional Systems Division

List of articles contained in L1 Research Project History

L1® Research Project History (this article)

Bose in Live Music Before the L1® System

When Bose introduced the L1® system in October of 2003, they had to re-introduce themselves as a company to musicians.

The Bose 800, our first professional loudspeaker, introduced in the early 1970s was very popular, and was used by many musicians, as PA, occasionally built into backline amps, and as a monitor.

The 800 had eight 4.5" drivers in a vinyl-wrapped wood cabinet.



Here's a photo of Bruce Springsteen and the E Street Band using 800s on stage as monitors. The exact date of this performance is unknown. Perhaps one of you can pinpoint it to at least a tour?


We also did a large scale project in the 1970s at the Montreux Jazz Festival in Montreux, Switzerland using large vertical stacks of Bose 800s.

Here's a photo of the stacks.


You can see how they blended in to the environment.



Cliff Henricksen: L1 Inventor

Cliff Henricksen came to Bose in November of 1993.

He had worked for the giants in the professional sound industry and had a number of fundamental patents in his name.

He was also a lifelong musician: a songwriter, bandleader, vocalist, organ and piano player.

In the photo below, you can see the tangerine phase plug for high-SPL compression drivers, and the Manta-Ray horn.

It is highly likely that there are more loudspeakers installed around the world in larger venues containing devices that use one or more Henricksen patents than any other inventor.

Cliff loves to build things, including racing cars that he designs from scratch. Below is one he's working on that he calls the "CroMag".

Cliff came to us from a very small, exciting company called US Sound, in 1993. He can tell you more about our work together at the Albertville Olympics. We were just knocked out by his patented loudspeaker technology.

Cliff joined the acoustic research group after the purchase was completed, where the other eventual originator of the L1 research project, Ken Jacob, was working. Here's a copy of the memo announcing the acquisition of US Sound from Carver.



Earliest Activities

Cliff Henricksen and Ken Jacob created the L1 concept together.

Cliff came to work at Bose by selling his company, US Sound, to Bose in 1993. It all had to do with high-output speakers used in Rock n Roll systems for professional sports in arenas and stadiums. The designs still exist at Bose and are called "Panaray LT".

Cliff's partners went their separate ways and he became a Senior Engineer in the Acoustics Research division of Bose. Ken was in charge of the department at the time.

So, literally, on his very first day of work in Framingham, Cliff had a organizational meeting with Ken. Ken had a lot of experience, in college and afterwards, as a "sound man" in theater and for bands. As a result, he was all over the horror of how music was amplified, what with monitors, instrument amps and PA cluttering even the smallest stages and amplifiers exceeding 1KW easily available. Plus mixers, cables, everything. It took forever to set this stuff up, a van to move it and hours to get a highly-compromised sound for everyone to play to. It was way too loud onstage and definitely in the audience, not that musicians would know this. Cliff can remember audiences cringing from sound levels and feeling helpless to do anything about it, sort of like we all got on this awful rollercoaster and the whole thing was careening in chaos, at ridiculous speeds that it was never intended for. Not a real pleasant memory, but one that doesn’t need to be re-experienced. And so, Cliff agreed with Ken, knowing full well what a pain it is to play out with a band and suspecting why live music was in such a bad state of health (customers driven away by poor quality and too much quantity of it).

"Why is this?" was Ken’s question in our first meeting. Cliff's reply was "hmm, let me think about it". They agreed to meet once a week and talk about this, with Cliff doing some digging and thinking and concluding and reporting. Before too long, we began to realize the extent of the profound chasm that had been inadvertently created between the audiences and the musical artists. There was way way too much gear on most stages and we easily saw three totally separate and totally conflicting systems being used by most bands; the “triple amplification system”. This all came out of its effective use in big concerts. Unfortunately, musicians everywhere, even in little wedding bands, started using it, just like their musical heroes playing in hockey arenas. It was like using an atomic bomb to get rid of ground-hogs in your garden. It works, but it kills everything around. Not only that, but musicians had, again inadvertently, lost their engagement with their audiences. They couldn’t tell what the audiences were getting from their artistic efforts and they couldn’t do much about it. Someone else had their hands on the controls.

Cliff's suggestions for a possible technological solution to this epidemic in music-land came from recent industry vibrations about the special qualities of line arrays and from the brave experiments by the Grateful Dead, putting the whole sound system, made up partially by bass and guitar line arrays and a large central vocal system. The latter made so much sense; putting the system behind the band so they could hear it. The Dead used a canceling microphone system too, to reduce feedback in large-audience shows. Ken and I knew it was imperfect, but the idea of a system the band could use and hear and control was the inspiration. Cliff's suggestion was using line arrays that were very small in width and above head-level in height. This would give very wide horizontal acoustical radiation and an array-high vertical pattern. It would also give a very gradual change in level with distance from the array. I decided that one system per player would probably work, although at first I thought that horizontal waveguides would be necessary to direct the sound, and so would control by an audience-situated mix engineer. Boy, was that ever wrong on both counts. He wrote an early document to Ken in September of 1995 during our ongoing search for something that would work for most players.

You can view it: Historic Document Showing L1® Invention for First Time

In preparation for the 5th Anniversary of L1® Launch, Ken was going through his engineering notebooks from the time period that Cliff joined Bose (1993), and he found the first entry that mentions Cliff.

The entry must have been just before the deal with US Sound was finalized, because the entry is also from November of 1993.

What's really interesting is the idea that Cliff and Ken were already thinking about a system that would preserve the natural spatial presentation of unamplified performances.

You can also see how inspired Ken was by the Dead's Wall of Sound because it partly did this (the vocals were all summed to a central cluster, something he wanted to avoid.)

He also found another notebook entry, from just a few weeks later.

Here, it's even more clear that Cliff and Ken are working on "the problem" together. Ken believes this is clearly after the "first meeting" that Cliff has always recalled so vividly.

This is the earliest document that has been found that shows a system for musicians playing in the smaller to medium sized venues that dominate musical performances around the world.

Cliff also found some documents when he was moving his office a few weeks ago, documents that were lost.



Catalog of Live Music Research Problems

In Bose's work to understand why musicians and audiences were complaining about live amplified music, we eventually boiled things down to several key problems.

Excessive Loudness

One of the biggest problems was excessive sound levels.

Bose felt that the single greatest contribution our industry had brought to live music were loudspeakers that were ever more powerful, and that sound levels on stage and in the audience were uncomfortably, even dangerously loud.

Ken occasionally said in Bose's L1 introduction presentation, called Music is Human that if a friendly alien appeared on earth, and found out music was one of our most valued activities, that it was largely experienced through the ears, but that we had busily spent the past 50 years developing loudspeakers that could literally break the ears, or short of that make music monstrously difficult to hear because it was so loud, they'd probably get back in their spaceship and leave, concluding we could not be understood.

This is an advertisement years ago when Cliff and Ken were starting out. It was in a magazine for worship leaders.

"How to hear yourself when everything is already too loud."

Answer:

Be louder.

Cliff and Ken felt that something was terribly, terribly wrong.

One of the other things they knew about was a rapidly growing category of products: earplugs for musicians.

Take music. Crank it so that it's dangerously loud and where you can't hear well because you're ears are distorting...

And THEN sell musicians and audience members earplugs.


Mono Sound

You see a band arrayed before you, with musicians left to right.

But the sound all comes from a single location -- the location of the PA speaker nearest you. So if you're left of the centerline, the sound comes from the left stack and if you're right of the centerline it comes from the right.

That was always a fundamental disconnect for Ken. It's like turning technicolor into black and white.

When the L1 research project started, Ken didn't know explicitly how much listeners were missing in "squeezing" all the music into PA stacks. Intuitively he felt it was a lot. He'd heard small classical music ensembles, and unamplified string bands, and knew how gorgeous the spatial presentation of the sound was. He was intrigued with the Dead's Wall of Sound system for a long time, where at least some of the spatial correctness was preserved, but he'd never heard it.

He'd never done an instantaneous A/B comparison with something better.

All of that was to come later.

(This sketch was done by Cliff, fairly early on.)

As Cliff and Ken continued discussing this particular issue, they began to understand the problem as two distinct problems, traceable to two distinct capabilities in our sensory system.

The first was easier to unravel because it was in the field of psycho-acoustics, which they both already knew quite a bit about. And there were many others here that did too and that helped occasionally in early discussions. Research engineer Chris Ickler was phenomenally knowledgeable in these areas and he worked in the same group as Cliff and Ken.

The first problem has to do with how we hear sound sources in the presence of noise. When the source comes from a unique direction we can hear it much better. Conversely, when the source comes from the same direction as competing sources it's much harder to hear. This basic feature of our hearing system is at the heart of a great deal of research into various phenomena such as what's called "The Cocktail Party Effect" or "Binaural Unmasking".

In music, if you can keep the sources separate, so that they come from different directions, it is much easier to pick out and hear any one of those sources.

There is a fantastic talk on this subject by Bose research engineer Chris Ickler at the 5th L1 Conference in Little Switzerland in May 2008. There's a demonstration of the Cocktail Party Effect that Chris included that you can easily hear on your computer speakers.

You can watch a really cool video of Chris's talk on psychoacoustics including the cocktail party effect demo.

The second part of the problem is very interesting and not well documented. It falls broadly into the category of "sensory integration" or how our senses work together.

From a young age, we were taught that there were five senses. The implication was that they are all separate and we tended to think of them that way.

But it's not true. For example, the way we experience food is a complicated integration of ALL the senses. The experience isn't simply the sum of what the individual senses are "saying". It's much more complicated than that.

There's a very interesting and relevant example of sensory integration when it comes to vision and hearing. Namely, in certain critical situation, employing eyes and ears in concert results in a much more powerful experience than if one or the other is employed alone.

As an example, there is an amazing experiment that shows that if we are trying to listen to someone talk in the presence of competing noise (say other people talking) and you can look at them while they are talking, it can be the equivalent of turning the volume level of all the competing noise down by 10 dB! Even though we don't think we lip read, we do. And we're taking many other cues from the visual to help with the auditory.

The problem with a conventional PA, is that the sound (all of it) comes from a single direction that does NOT correspond to what we see. When we hear something that interests us we first have to scan the stage to see what musician is making that sound, and then we use our senses together. But the whole time we're searching we're not enjoying the deeper experience that comes from using our hearing and vision together. We're doing administrative work instead.


Too Much Gear

Both Cliff and Ken were very familiar with what it took to do a gig in terms of gear and logistics. Both had done it their whole adult lives. They felt that technology had made it progressively harder, not easier.

On a gig day, or maybe even a few days before, the process would begin to collect all the gear, get it transported, and set up. If you were in charge, as both of us often were, this usually was some sort of all day affair, especially if you were trying to make sure that the setup was professional.

By the time the music started, hours and hours of hard work and logistical thinking had already transpired.

There were so many wires, and of so many different kinds.

And then after the music ended, you'd have to do the whole darned thing in reverse.

Both felt that this whole process flew directly in the face of music making. Many times, they felt they were wiped out and their brains exhausted just getting set up. And it often wasn't possible to enjoy the afterglow of a great performance knowing there were hours more work ahead because of the gear.

Real problems would sometimes arise between band members because some helped with the gear much more than others, and resentments set in.

Ken said that the only shoving match he ever initiated was over gear set up. Someone in the band showed up really late to a load in up a long flight of stairs on a brutally hot and humid day. He says he's regretted this his whole life.


Excessive Reverberation

The job of the professional sound engineer is to get clear sound in the audience area, among other things.

But the more you learn about acoustics the more frustrating it becomes to do that because you can see (and hear) that you're fighting against a tsunami of chaotic sound.

The problem, ably illustrated in another early sketch by Cliff, is that lots of sound makes it to the audience area other than from the PA speakers -- the one part of the three-part triple system intended exclusively for them.

There's lots of sound from the monitors which splash sound all over the place, and from the backline amps, which laser-beam their sound to some parts of the audience (more on that later) and totally miss others.

How can a sound engineer possibly solve this problem?

That's one reason many live shows lack clarity. If you were to turn off the PA speakers completely, you'd still hear tons of sound, and none of it clear. Turning the PA speakers back on doesn't make the mush go away. Now you have to turn up the PA really loud to overcome the mush. And now, you've got music that's just too loud.


Excessive Directionality from Guitar Amps

Cliff and Ken have said publicly many times how much they both LOVE electric guitar.

Ken can honestly say that some of his best experiences listening to music has been with great electric guitarists: Hendrix, Vaughan, Christian, Metheny, and so on.

But live, they knew that the extremely narrow beam of sound from guitar amps could be and often was, disastrous.

They found that guitar players almost never stand right in front of their backline amplifiers.

That’s because these speakers are so directional that the sound level and tone directly in front is incredibly harsh.

But some audience members are in the direct line of fire and get blasted by the guitar sound.

Even if it’s not a terribly loud show, they still hear a mix that’s inappropriately dominated by the guitar.

The musicians on stage don’t fare very well either.

Either they’re on axis of the guitar and therefore blasted by its directional beam, or they’re off axis and only hear a dull version of the instrument – a version that’s hardly representative on the tone carefully created by the guitarist.

We came to the conclusion that in this environment, there is only one person with any hope of getting good guitar sound, and that is the guitarist.

If anyone doubts this, they are encouraged to take a guitar amp on wheels, have a guitarist strum a chord that excites all or most of the strings, and then slowly have someone rotate the amp. Stand in front of it.

Cliff and Ken both feel that it is not very difficult after that to realize how many problems are being caused by these amps.


Artists Not In Control Of Their Art

One of the most fundamental problems Cliff and Ken discussed was one they felt was of perhaps the greatest magnitude in terms of musical art.

With triple systems, musicians were not in control of their art.

Here's how Ken put it when it came time to launching the L1 system in 2003 in the multi-media presentation called Music is Human:

All of these problems that we’ve just discussed pale in comparison to this last one, one even more fundamental, because it strikes at the very heart of how musical artists connect with their audiences.

In the triple-system approach, the voices and instruments are electronically mixed one way for the audience through the PA system, and a different way for each musician through the monitor system.

This mixing is done by a sound operator typically positioned in the audience.

In such an arrangement, the musicians initiate the sound, but then they immediately lose control of it to the person operating the mixing board.

They don’t control how they sound to themselves in their monitors, and they don’t control how they sound to their fellow musicians in theirs.

And yet the person who does control the monitors can’t hear what they’re doing because they’re not on stage!

In the case of the PA mix for the audience, musicians have no idea what the person operating the mixing console has done to their sound.

So in the case of the monitors, adjustments are made to the sound by someone who’s not in the group and who can’t hear what they’re doing. This is a major reason why musicians complain so bitterly about the sound in their monitors.

In the case of the PA mix major adjustments are being made to the sound that the people who are in the musical group can’t hear at all.

Is it really any wonder, then, that in our research the most common thing we heard from musicians after a performance using the triple system approach was “How did we sound?”!!!

Imagine a painter whose every mark is altered by someone else, and worse, is forced to look away as these alterations are made.

Do this, and you’ll have some idea of the handicap musicians must endure, and the frustrations they feel.

To Cliff and Ken, this was the mother of all problems. Artists not in control of their art. Something had gone seriously, seriously wrong.

And so, it was with a full and lengthy discussion over many weeks and months of the problems plaguing live amplified music that they set out on the attack...

Actually, in this photo, from about the same time, Cliff and Ken were prepping for a huge batch of seafood gumbo. Cliff knew a sound engineer in New Orleans who was tapped into the local cuisine. He arranged fly crabs, shrimp, and sausage to us on ice.

They threw a big party that night with live music over at the Village Hall.


Historic Document Showing L1® Invention for First Time

In September of 1995, after many conversations between Cliff Henricksen and Ken Jacob, Cliff produced a six page document and gave it to Ken Jacob.

Ken has said that he was "stunned" when he received this. He was not expecting an "invention".

Over the years, Ken has asked Cliff many times to tell him about the "Moment of Invention". Cliff does not know.

Here, then, are the original pages from that document.

It was lost until late 2008, when Cliff was cleaning out his office in preparation for a move.

You can imagine how excited they were to find it.

And to share it with you now.

Page 1

Page 2

Page 3

Page 4

Page 5

Page 6

Ken-at-Bose


Earliest Sketch of New Approach

This sketch was done by Lou G on tissue paper. Ken was describing to him our new concept for amplifying live music, long before it had been tested or received any approval to move forward with commercialization.

Lou is a very gifted artist and industrial designer. Some of Bose's most successful home entertainment products were done by him.

He was sketching as Ken talked, sitting across from Ken at a conference table.

Ken was looking at what he was drawing and couldn't make heads or tails of it and was thinking to himself: does he get this?

Then, shockingly, Ken realized that Lou was drawing UPSIDE DOWN, so that the sketch was correct for Ken sitting across from Lou.

The reason Ken couldn't figure it out is that his brain was assuming Lou was drawing right side up for himself.

When Ken dug out this sketch, for the longest time he could not figure out what the words meant scrawled at the bottom of the drawing.

The words are in Lou's hand, and he must have been taking notes.

Ken was confused by what looked like "20 degrees C" at the end of the phrase.

  • Everything can be answer > look back to berfore the midda 20 degrees centigrade.

And then it dawned on him.

What it says is:

  • Everything can be answered. Look back to before the middle of the 20th Century.

This is a reference to Bose's work to understand the history of amplification and the problems that were getting in the way.

What Bose ended up calling the "era of individual instrument amplification" was a natural extension of unamplified music. And things were ok.

In its Music is Human presentation introducing the L1 concept, Bose used the Beatles at Shea Stadium as the breaking point -- when the popularity of the music exceeded the ability of the technology to deliver a good listening experience to huge crowds. It was the reaction to that commercial problem -- in place by Woodstock -- that spawned triple systems.


First Research Prototype

Creating the First Prototype

Cliff Henricksen built a number of prototypes of his portable line array concept with the help of acoustical engineer Joe, before he landed on one that he liked.

Here’s a photo with all the our line array prototypes taken years after the moment of invention.

The aluminum one is the very original speaker system for this project. It’s actually all put together from folded-up aluminum with PEM nuts for connecting the drivers to the enclosures, a hold-over from the original US Sound/Panaray LT lightweight designs. Drivers are stock ones right out of the Bose Wave Radio. This system went down to about 90Hz but was “fat” in comparison to the final L1 because of the low end requirement.

The white array to Cliff's right in the picture (stage left) is a white version of the MA12. This design made it into the Bose Pro product line years before the L1 was introduced. It gained fast acceptance as an installed speaker that was easy to design with. We actually used MA12’s in our 2nd generation L1 prototype system.

Right in front of Cliff is a wooden pre-proto that led to the MA12 and L1, when we knew it was best to have a bass system. Notice how much skinnier the line array became when it only had to go down to 200 Hz or so. To Joe’s left is the final L1 line array, the skinniest of all.

Cliff is leaning on the actual (dark grey) prototype that I took out to shows. It’s about 48” high and I used two sections held together with steel plates. I assembled it at the gig and brought a portable electric drill with to fasten everything together. I also had to bolt it down (with the drill) to a square wood base. This probably sound really Fred Flintstone but it was pretty easy.

The first usable prototype Cliff landed on (the one Cliff is leaning on above) was 8’ tall and had a floor footprint of about 6” across and 7” deep. It broke apart in the middle using a pair of plates to hold the two sections together and didn’t have a bass system as it was designed to go down to about 90Hz. Cliff figured this would be fine for his own use as a keyboard and voice system.

The most intuitive choice he says he made was to use the little drivers from the Bose Wave Radio. Now this wasn’t what you’d call a rock and roll instinct. Radio speakers for amplified music? But he figured if that little 2-driver radio would play pretty loud with high fidelity sound for a living room full of people, then 32 of them in a line array with mutual coupling to help out the low end would probably be pretty impressive.

He got approval from the company and built a system. It also included a 400w/ch stereo amp, and equalizer and a crossover in a plastic rack-case. And there was a square base-stand for the line array. All this had to be assembled at the gig, sort of like an erector set, but he figured it was worth it.

When Cliff first played through it, in the “Monster Lab” at Bose, a large development space for our big sound systems, and got it eq’d right, he said he was stunned. He could definitely play his GEM RealPiano Pro2 and VK7 organ too loud, to his delight (thinking what guitar players would say when they heard it). But when he played a commercial CD through the the prototype, he said he was even more stunned. Walking around the room, he was amazed by the wideband coverage and the consistency of level at any distance from the thing.

He raced into Ken’s office and dragged him out, probably frothing at the mouth. Listening, they both then knew they were on the right track and the train was rolling.

Using the First Prototype on a Real Gig

Cliff was eager to use the first prototype outside the lab, on a real gig.

By the end of 1998, he sent this account of his first live music gig with the system to Ken (slight edits made for clarity):

This is to document my recent experience with the MUZO stack (2: 4' arrays) in a live music application. Joe and I put one together, with nice big guitar-amp handles, and I voiced it on Friday afternoon in the Monster Lab using a Rane parametric and Bose 1800 amp with 402 controller cards as a place to start. Mongo, The Lab Troll (Steve) was a big help with putting it together. We put it on a 20"x20" plywood base, which has to change, but it worked for the moment.
I get calls semi-regularly to play with a rotating band of musicians who are experienced enough to do a tight pro gig without rehearsals. Everyone is cool and plays well, and we all get better-than-average pay. I played with the same core of players last Saturday and two Saturdays ago, this week being a blast (biker Christmas benefit bash at Ashland Fish & Game).
Two weeks ago, I played the gig with my usual Acoustimass Pro at head-height on a stand. I set up far stage left. Next to me was the bass player, then the drummer (traditionally in the center) and on far stage right the guitarist playing a Fender Twin (typical guitar 2x12 amp). In front of the drummer was the singer and bandleader, with a stage monitor. I played at a level that gave me a good mix with what I heard of the rest of the band, although the guitar could have been louder for me. Bass sounded great to me, as did my keyboards. The bass player, being a bit closer to the AM Pro, complained about high levels from the keys and could not "fade" towards the backline because it was too loud from the keys, which I found out after the gig (ah, communication). The guitarist and the drummer thought the keys were too soft and the singer/bandleader thought the keys were "just right". Can't please everyone, eh?
Contrast this to the biker bash a few nights ago. Of course, as predicted, when I set the 8' stack up, it was like the monkeys around the monolith scene in "2001: A Space Oddyssey". The big base was cumbersome but my impression is that these will be very easy to cart around. Once we started playing, everything was forgotten. After the first set, everyone came over and commented how "awesome" my sound was, and "what was in that (magic) speaker?". There was another keyboard player there, who was really a veteran pro piano (as opposed to "keyboard") player. We quickly got into him playing piano rhythm and some very funky clav parts and I happily played organ. We had a blast all night with this, the ultimate church rhythm section format. He was totally knocked out with my sound and wanted to know where he could buy one. I passed it off as something I was just "fooling around with", but everyone was amazed. On this particular gig, we were spread out much more than the former. I was way-far stage right, the piano player was to my left, then the drummer and singer in the middle, then the bassist to the left of drums and finally the guitarist at far stage left. This was a much more severe spacing than the former gig. Nevertheless, everyone complimented me on my tone, independent of where they were on the bandstand. The drummer was especially vocal about how good my sound was and how clear he could hear it, especially compared to the former gig two weeks ago. I, of course, set my level so that it was clear for me, and I still got these comments from the guitarist who was way far on stage left. As a personal reaction, I was totally satisfied with the sound I got and it had plenty of output for a totally commanding level on solos. I got some genuine applause on some solos, so the audience could hear me clear and clean also.
Now, I don't exaggerate or inflate things, unless it's just having fun with words. That's certainly not what I am doing here. Read this again and let it sink in. Basically, the thing works. I don't mean that it makes sound. I mean, given its original intention (not UIOA, but allowing musicians to be heard playing together on the bandstand), it has fulfilled its promise. It is at least a new and order-of-magnitued improved format for electric musicians' backline systems. It is so much better than amps at the knees decapitating the audience or amps at ear level decapitating whoever is next to it. Next is a demo of some kind with a full band. We'll have a few at the Christmas party.
You can build a new business on this (and put it in the pro catalog also). Just thought you'd be interested, pardner.

One thing that's interesting to note is that at this time Bose was still thinking of this invention as basically a backline amp.

In other words, even though they had done a lot of earlier thinking about complete systems, this was not in our minds here.


Using the First Prototype With a Conventional PA & Monitor System

Here's another communication I got from Cliff where he describes what it was like to play in a group using a triple system and he brought his new 8' tall speaker to use with his keys. He would do these shows, go out and play, and report back to me in emails. Then we would discuss what happened and what to do next.


I got a call to play keys in the backup band for an "oldies concert", basically backing the groups (or people from the groups) that had big radio hits when I was a teenager. This on its own was amazing, especially the backstage hang. Everyone was totally friendly and it was a very congenial atmosphere, full of war stories and good musical vibes. It was the usual big-theater show with a big rock and roll PA on either side of the stage, rhythm section amps, drums and monitors along the backline and a compliment of mics and stage wedges out front for the parade of singing groups that would perform that evening. There was lots of room on stage.
Behind the bandstand was a tall, stage-width, 8-foot-high pipe-and-drape curtain of black scrim, used as a backdrop for the show. It was pretty much like speaker grille cloth, as I could easily see through it, standing backstage. So I decided to set my system up behind the scrim, right behind where I was set up. Nobody paid any attention to this, as everyone was tuning up and the sound guys were busy doing their thing. But my setup was (to me anyway) like magic. The system was totally hidden, invisible, and the sound was everywhere. I had tons of gain and it sounded great, so I felt like King Kong and was anxious to start playing. We ran through tunes for all the acts and the sound guys got a balance out front. Halfway through the sound check, the sound guys came up to the front of the stage, pointed at me and said I was “too loud”. Ever been singled out on stage, while everyone else stares at you? Not that great. And I thought the balance was perfect. “What’s this all about”, I thought. The conversation went something like this:
“Am I in the monitors?”
“Yeah, of course”
”Am I in the front system?”
”Of course…”
“Look; humor me. Take me out of the monitors and take me out of the mains. I know this sounds weird, but my system will cover everything.’ I told them to see what they ended up with as a mix by having my setup just naturally bleed into the open mics on the front line.
They looked around a bit, couldn’t tell what “system” I was talking about, but with “oh my goh-idd, not another sound dweeb” on their faces, the went to the mixer and did it, probably just to shut me up. But, now there were no keys in the monitors and no keys in the house system. We started to play again, to finish up the sound check. No problem, no pointing, just playing. “Must have worked”, I thought. Afterwards, they came up to me like wide-eyed “moonies” saying it sounded “great!!”.
By the time they adjusted the mix out front, there was "a touch" of keys in the house, probably because they could. The system pretty much covered the entire stage and the house. Everyone on the show complimented me on my sound and all said they could hear me well. My experience was totally satisfying too. I just love how my instruments breathe through the system.



The Very First Use of the L1® Idea in an Ensemble

This Page Reviewed By Bose

This photo shows the very first use of the L1 approach as originally intended. It shows The Cliff Henricksen Band with four of the early prototypes. More on these first prototypes: First Research Prototype

At this point, Cliff and Ken were doing this as a side project, within their overall license as engineers to do things they thought would be of some as-of-yet-unseen value in the world.

This was the system’s maiden voyage for an amplified ensemble. Cliff's wife Bonnie probably took the photo. Buddy MacLellan played drums, Jeff Majeau played his Renaissance fretless bass and Bob Lituri played his PRS, probably using his Peavey Ultra 120 amp and some kind of “Power Soak” thing to drop the voltage, and then into the L1 prototype.

Jeff used a Peavey bass amp head that was bi-ampable, so he used it that way with the Peavey amp driving his 15” cab and an external amp driving the L1 prototype. Bobby and Cliff sang. Shure Beta58 mics were used with a Mackie mixer. The kick drum and snare were amplified and a US Sound dual 18” cab and Bose 1800 amp were used for the low end.

It was for an annual Spring event in Framingham called “Greenup Day”, where volunteers run around cleaning up the Sudbury river and local parks. It culminates in a barbecue and concert for the participants. This particular year it was sunny and warm and beautiful. The band played on a concrete pad right next to the lovely and large Farm Pond.

The opening act was The Jones Brothers, a very solid R&B ensemble. They went on first, and so they were really the first-ever band to use the system. That in itself was a curiosity. They looked at the big grey prototypes with bewilderment, probably thinking “where’s the PA, and what is this?”. Cliff got them plugged in, handed the lead singer the mic and said “try it”. That’s all it took. They all heard it right away, said “it’s good; let’s play” and simply went on and did their show. They loved it. There were little kids and their moms sitting in the grass close to the band. No one was recoiling or fleeing in horror of the usual high sound levels. Cliff started calling the prototype “the world’s friendliest loudspeaker”.


Testing Our 2nd Generation Prototype

This Page Reviewed By Bose


Building the 2nd Generation Prototypes

Cliff and Joe had built a number of prototypes of what was to become the L1 speaker. See the article First Research Prototype for more details.

In late 2001 and early 2002 Ken and Cliff decided to build another, more sophisticated prototype based on everything they had learned.

Cliff fabricated stands for what had already become the Bose MA12 line array for installed applications. The MA12 was a commercial offshoot of the early L1 prototype work: Commercial Offshoot of L1 Research Project.

Cliff and some of the lab technicians built small racks that housed LabGruppen power amps and a DSP controller where we could dial in EQ and limiting for the 2nd generation prototypes.

We used Bose MB4 bass boxes.

As you can see from the following notebook entry, this is where Bose decided to go with a separate bass box -- a momentous decision.



Here's a photo of the 2nd generation prototype. For the first time, Ken felt they had something that was really starting to look elegant and truly unique -- as unique as the invention.


Testing the Prototypes on Real Concerts

Cliff built about eight of these 2nd generation prototypes and made them so they could be easily transported.

This is a shot of one of our speaker engineers, Pete (also an excellent drummer) who had loaded up his pickup truck with ALL of the prototype systems. Ken remembers going to get his camera and saying "Pete! Wait!" And taking this picture. It really hit home that here was a new kind of amplification system -- one that replaced conventional PA, monitors, backline amps, mixers, and most of the wires with seven-foot-tall, coffee-mug-wide, portable line arrays. It hit the small group hard at this time.



Many, many live concert tests were conducted with this set of 2nd generation prototypes.

These concert-tests were roughly broken into two categories:

1. Same venue, lots of different bands.

2. Same band, lots of different venues.

Concerts in One Venue With Different Bands

For the first category, a series of concerts took place in the Spring of 2002.

Although it was not known at the time, the team was only 18 months from launching a commercial product in October of 2003.

The historic Village Hall in Framingham was chosen for this batch of concerts.

It's a challenging room, fitting a few hundred when full. It's very reverberant. It was chosen for several reasons.

  • It was close, only about 5 minutes from the lab.
  • It was typical of the places people play.
  • It was acoustically challenging: if the prototypes were successful in Village Hall they'd be successful in the better behaved halls.
  • The testing could be kept relatively quiet.

Cliff and Ken set up what they called their "soldiers of sound" on a rented stage, as shown below.The MB4 bass boxes behind the curtain. If you look hard you can also see the "baby mixers" that were part of the prototype systems. These were four channel mixers.

At this time, it was just Cliff and Ken and the occasional hired crew. Ken and Cliff rented trucks, pipe and drape, carried all the gear, made all the arrangements and communications (like the above) and assembled and repaired stuff in Cliff's garage, about a half mile from Village Hall. Ken insisted on this arrangement as the only way to experience what eventual customers might experience and thus know "in their bones" as he put it what design decisions to make when it came time (hopefully) to commercialize the idea.



Here's another shot of the stage. The team wanted to show the fact that for the first time in a long time the stage was super neat. You could really see the musicians and they could really see their audiences.



Here's a copy of the advertisement that was placed in the local newspaper to attract audiences without attracting attention to the new technology. This was really tricky to pull off. On the one hand, the team was intent of doing a set of real world tests -- to be absolutely certain that their beliefs and claims could be realized. They wanted not just to prove that musicians liked the sound, but that audiences did too. They wanted to prove that the L1 concept meant better live music. And so we had to have real concerts. On the other hand, they wanted desperately to keep their work quiet. It would be terrible for news to leak out of our work.

In the advertisement there was no mention of new technology being used. Just a celebration of live music and better sound.



Ken and Cliff received excellent reactions from the musicians. The ones that especially loved it and took to it the best were the jazz players, who are more used to hearing each other and playing together. Least adaptable were rock musicians who are used to playing to monitors and not necessary playing with the whole band.

The prototype systems performed reliably and excited much less reverberation by not sending sound to the hall’s upper reaches. It made instruments responsive and musicians said it was easy to engage their audiences. Cliff said of the experience, "The sound wrapped around me, like a hug from someone who loves me, and then went out to the audience to do the same. I can still remember how it felt and how it sounded. It’s a really beautiful memory for me."

Different Bands in Different Venues

Cosmopolitan Grille: Vdrums and Cybertwin

Five of the 2nd generation systems were set up at the “Cosmopolitan Grille”, a local club in Framingham. Cliff's band fronted Tony Sarno who was visiting from Nashville. A good set of Roland VDrums had been purchased for testing with the prototyep system. Two systems were used for the Roland drums and they sounded very good. It was clear that 2-channel “stereo” was very limited: the kit only sounded spatial and full in front of it, between the two speakers. After this, a mono system was used for drums (electronic or acoustic) with much better results.

For guitar, the direct output of the then new Fender Cyber-Twin amp was connected to the prototype L1 system. Cliff remembers that on the bandstand, something really snapped in Tony’s brain. Talking on the phone later from Atlanta, Tony was wild with ideas and revelations, including using a Roland guitar processor (similar to a Line6 Pod) that “everyone in Nashville” was using for recording at the time.

For more on how the electric guitar work unfolded: Electric Guitar Research



North by Northwest in Philadelphia

After the Village Hall tests, Cliff and Ken began the process of testing the 2nd generation prototypes in different venues. They decided to take a road trip to Philadelphia where Cliff knew a bunch of professional musicians from when he lived in this area. Cliff had played in the Philly/So Jersey clubs and music halls mostly with a band called the “Allstars” and most of them were still there, active as musicians. Cliff and Ken rented and drove a white van with the prototype systems from Framingham to Philly.

They invited an extraordinary singer and guitarist Tony Sarnoto join them, after the Guitar Summit (see Reinventing the Electric Guitar As We Know It for details) to play at a great club recommended by bassist Rick Prince called “North By Northwest”. Local musicians and music-business people (booking agents, studio and record people, promoters, etc) were invited. Ken did an early version of the presentation that was to become Music is Human to explain what we would be doing onstage. Then the band played. It was a great lineup, including Allstars Rick Prince (bass), Rick Valenti (harp and vocals), Jay Davidson (sax, later to play with Cinderella, the “Standing In the Shadows of Motown” tour and with Steve Winwood), Fred “The Red” Berman on drums (now touring with Amos Lee), Doug DeHays (bari) and Steve Jankowski (trumpet). Cliff played keys. Ken and Cliff both felt it was a highly successful event: musicians and audience alike were thrilled with the experience. There was quite a buzz.

After the event, back at the hotel, Ken invited Tony Sarno to join the team as someone who could representative professional musicians and electric and acoustic guitar players. His growing ability to play genuine electric guitar through the L1 (and endless stream of different ways of getting guitar tone) and front the soon-to-be-called Bose demonstration band THE Linemen would be his work at Bose. He would be a musician-to-musician spokesman for the L1 and for the company, especially as he could provide advice and authentic opinions about a real recording artist's experience with the system. Tony accepted and did this work for two years, leaving the corporate world to get back to being a full time musician again.

In the photo, that's Tony singing, Jay saxing and Steve trumpeting.



Here's the musicians having dinner in the side courtyard at NXNW before the show. Starting far left at the table and working around clockwise: Ken (pointing up), Rick Prince (pointing at the camera), Jay Davidson, Doug DeHays (I think), Fred the Red (testing wind direction), Rick Valenti, Tony, Steve Jankowski, not sure, me and Tim Jordan, a local guitarist, singer and songwriter. Rick P and Tim are in a band together as of this writing.



Boston Area Rock Trio

A local Boston rock trio was invited into the lab to play. These guys were great, and they rocked. This photo is poignant for several reasons. They really liked the system and sang great together. I don’t think the drummer was totally wild about the Roland kit and the Vdrums were later abandoned in deference to a real acoustic kit with some minimal amplification, notably the kick drum.

The guitar player was very experienced with using a Line 6 Pod for recording. He got his tone okay, but was perplexed by not being able to "get away from his sound" as he described it at the time. Rock and metal players normally have a single or double 4x12 stack. The sound in front of these amps is hugely bright and loud but you can "get away from it" by standing to the side. You can not do that with the L1 system because it projects its sound very evenly.

The test was after business hours, a good thing considering that Ken and Cliff were measuring 120 dB-SPL in the lab. It was very, very loud. In fact, it was learned that day that a band could play "too loud" on the prototype system. This test allowed convinced Cliff and Ken that the system could "rock".



Boston Area Hard Core Trio

A hard core New England area rock group came in to play in the old cafe.



Concerts in Different Venues With One Band

Soon after the Philly test, Tony relocated to the Framingham area from Nashville, and he and Cliff started recruiting local players for an in-house test band. They first met with bassist Wolf Ginandes, who Cliff knew and had played some with. Wolf in turn brought in Marty Richards (J. Geils, Peter Wolf, Gary Burton, others) as drummer. Tony knew local saxman Bruce "the Goose" McGrath from previous bands they were in together, and Goose brought trumpet great "Doc" Channonhouse. Last, Cliff "Goodsy" Goodwin came along on the advice of Pete and Wolf as second guitarist. His work as music director for the Joe Cocker Band made him the perfect candidate for MD for this band, and Wolf came up with the name THE Linemen.

It took time for The Linemen to grow accustomed to and trust the new system. These were highly experienced musicians, but their experience was playing on triple systems. Early on in their use of the 2nd generation prototypes, bad habits were evident, habits developed from playing in "monitor bubbles". Ken recalls that he had to step in on several occasions and tell the band they couldn’t play this way any longer. He gave Cliff Goodwin the job of music director of the band and thus that he be accountable for making the band play to serve the audience. There was no need to play on “10”. Instead, you could play like a record producer. Listen and play to make the song come out. Support the lead and forget your instrument. Team ball all the way. Goodsy accepted and then things really tightened up re: arrangements and sound levels.

Here's a photo of the band rehearsing arrangements.

Linemen_rehearsal.jpg

In fact what was happening is that in addition to testing how the technology worked in different venues, learning how to take musical advantage of the technology was also being undertaken. Years later, we asked Cliff Goodwin to give a speech to the Bose L1™ Musicians Conference Fall 2006. You can see an excellent video of that talk: How to Play Better with the L1® - Cliff Goodwin

John Stone's Inn

The new in-house test band (later to be called The Linemen) played in a number of other venues, including a small local bar and restaurant, John Stone’s Inn, the allegedly haunted pub in Ashland MA with a tiny stage. In this test the team wanted to know what it was like for a seven piece to play through fewer systems. We started out with five systems and gradually worked our way down to two. Even with two systems it was discovered found that the band could perform effectively. Three was preferred.

AMVETS, Natick MA

This was a typical function hall that could fit maybe 200 when full. The kind of place our imagined customers play all the time. The room was reasonably well behaved and the band sounded fabulous according to those that heard this test.

What made this test special is that we did a one-button A/B comparison with a triple system. The mixer in the photo below was used to do the very complicating signal switching and routing necessary to do the instantaneous comparison. This allowed everybody, including the musicians to hear what it was like to go back and forth between the conventional triple system approach and the new approach.


Country Club

We tested in a large function hall at the Glen Ellen Country Club near Bose headquarters. This room could easily accommodate 500 people. The band was able to fill the room with entertainment sound levels. We were not able to confirm what would happen with a room full of people.

(Steve-at-Bose is shown in the foreground. The stage setup for The Linemen is in the background.)


Regent Theater, Arlington MA

The Regent Theater in Arlington (close suburb of Boston) is beautiful old theater seating about 350.

This photo shows Cliff Goodwin talking over "music strategy" for the event with Ken.



In the photo below, Marty Richards is at the drum seat. adjusting his baby mixer driving his 2nd generation prototype.


Here are some firsthand recollections of this test by Ken Jacob.

I so vividly remember this test at the Regent.

It was daunting. Could the system possibly work in a real proscenium style performing arts theater?

We set up and then we went to dinner with everybody. This is where I announced our plans to launch and how much travelling everybody would be doing. I was preoccupied with this.

The band left dinner and went to warm up. I lingered over my dinner.

I walked through the door from the lobby which enters the auditorium at the back row.

The band was playing and I remember being totally floored by what I heard. I was in the back row of a performing arts theater and it sounded like a CD. Loud, and ultra clear. I'd never heard anything like it before.

This "test" quickly turned into a private concert for about five people, including the janitor. I have a stereo mic in the house recording of this test.


Recollections from Cliff Henricksen of Tests

What follows is written by Cliff Henricksen about this era of testing with The Linemen.

So, with a crew to set up beforehand, we just showed up to play. I can clearly remember seeing our 6 systems set up behind the band when I walked onstage. There were these tall black stilettos that bore no resemblance to any speaker I ever used. And here I was, The Inventor, looking at this alien landscape behind our instruments and thinking “this is crazy; this will never work here”. Honest. This happened a lot. What I saw and what actually came out of all of them when we played was, heretofore, so far out of my experience that I doubted it for a long time. But when I sat down behind my instruments, brought up the gain and played a chord or a note, the whole world changed in an instant. I knew where I was, once again. I was back in our living room, back in magic music-land and I knew then, every time I played, that it would work great and that everyone in the band would hear it and know the same thing and that we would fall in love all over again with this great music we were playing and making together. It really took a while before this kind of experience went away for me. Not that I minded, because it thrills me to relive those times in this writing as it did at those beautiful moments. It’s like dreaming you could fly, then standing up in some field thinking “this will never happen” and then, like in the dream, really be flying. I can’t say I really bore or felt any great weight of responsibility for this increasingly more expensive and demanding project, like “I’m the inventor so if it doesn’t work I’m a failure and have let my colleagues, expecially Ken and Dr. Bose down…”. I never felt this. It always felt great and it always was more fun that I could imagine. But I did, for a long time and over the course of a whole bunch of tests with the band, look at this wacked-out system and feel a strange sense of doubt, only to have it turn to pure pleasure of being a musician the instant I heard the music.



[need to add images and text for The Linemen in different venues here]


Invention of ToneMatch® Technology

This Page Reviewed By Bose


Origins

The 2nd generation prototypes consisted a line array of a two Bose MA12 speakers (with a total of 24 mid/high drivers, crossed over at 180 Hz), a single Bose MB4 bass speaker (the equivalent of two B1 bass modules), amps to drive them all and a Bose Panaray controller, set up for biamp and using a standard MA12 voicing curve. When you played a good-sounding commercial CD over this system through a flat input, it sounded “normal”. A great-sounding CD sounded great, and so on.

Each system was driven by an individual 4-channel mini-mixer placed at each musician’s play position. This way, each musician could regulate their own tone and sound level and adjust it according to the other instruments they heard (through the other L1’s) onstage.

Keyboards sounded great. Direct-to-tape devices like the Roland VG88 sounded great too.

But the singing voices were off in terms of sounding like real voices. Shure SM58’s were used and later several other mics were used to see which ones worked best with our system.

It soon became apparent that none of these really sounded like the person singing, which is basically what was wanted: natural voice tone.

From Cliff's work in commissioning big arena sound systems and teaching about how to listen diagnostically, he knew how to make any good microphone sound close to a studio condenser microphone with some judiciously-applied EQ. So he bought some Symetrix 1/3-octave equalizers and patched them into the vocal channels of the mixers and started “tuning”.

It didn’t take long before he got really excellent results, including getting rid of a “wet towel over the windscreen” sound (or “chesty” low-midrange exaggeration) and a “rock PA” low end exaggeration.

The different mics we tried needed different EQ to make the voice coming from the speakers sound like the singer. This was a revelation. Tony and Goodsy of the proto-Linemen both had acoustic guitars with pickups in them. They didn’t sound like the real thing either, but some simple EQ tuning solved that problem too.

Eventually we had a whole collection of equalizers onstage for the tests at Village Hall. Expensive, but it worked great. No one was willing to give up the customized EQs.


Putting it Into the L1 Classic

When it came time to develop the first product, what is now known as the L1 Classic there was a big decision to be made about the basic architecture of the electronics. Would they be “analog” or “digital”. By that time, a whole collection of different voicing presets were needed for all these different microphones and acoustic guitars and basses with pickups, and a whole raft of other things. Cliff insisted these be put in the product. It was not an option to just have “tone controls”. The system had to be made to work right by identifying the instrument being used and making its amplified tone right.

And so, it came to pass that 99 presets were made available for popular music-making devices. Good tone, easily obtained, became one of the truly valuable qualities of the L1 systems.


Working with Instrument / Microphone Makers

At first, presets were done by Cliff, each preset representing his subjective opinion of how this or that instrument or micophone should sound. The instrument maker wasn’t consulted about this.

This began to bother Cliff. Take the Taylor acoustics for example. Taylor takes huge time and energy to make their instruments sound amazing and beautiful. Then someone buys the thing and all bets are off what they’ll plug it into and what the tone will be when they play it. It could be an old guitar amp, a 5.1 surround system in a Hollywood studio, some monster PA system or anything in between. The only sure in Cliff's mind was that it wouldn’t sound like what the creators of the instrument had in mind.

The creators of these instruments might really never have had any strong impression of what the instrument should sound like amplified.

The L1 is different. It delivers nearly the same tone everywhere. It bothered Cliff that he was the only one making decisions about tone. So he decided to talk to the guys from Taylor on the phone and ask them “wouldn’t you like to have some input on how your instrument sounds when it’s amplified using an L1?” It really had never been done before. Instruments and amps had always been developed independent of each other. Now here was a chance to “glue” the instrument and the L1 together with a voicing system that, when it’s all put together, delivers an amplified sound that the instrument’s creators think it should sound like. Tone-matching.

The guys from Taylor (Brian Swerdfeger and David Hosler) and Cliff agreed to get together and make some presets. As creators of these beautiful instruments, they and not Bose should be the ones that determine the tone of this complete instrument. And that’s really what this is. What's been created, by gluing their guitar to the L1 with the (tone-matching) voicing curve, is a completely independent, free-standing closed-loop musical instrument that sounds like the guitar itself, only louder. Or, in this case, as loud as you really could want. When this work was done, everyone was happy. More important, Taylor customers started to write in and say the same. This was the right thing to do.

The Bose L1 team was ecstatic over the implications of this program and started to draft a more formal framework for it and to work with other companies with their microphones and instruments. The program grw and a name was invented: ToneMatch.

You can watch video interviews with some of the folks at these other companies: ToneMatch® Interviews


Instantaneous Comparison Between L1 and Conventional Systems

This Page Reviewed By Bose

Introduction

On two occasions, first in 2002 and then again in early 2003, and in two locations with two different bands, parallel systems and fairly elaborate electronics were used to perform the ultimate test: an instantaneous A/B between a high quality triple system and our 2nd generation L1 prototype system.

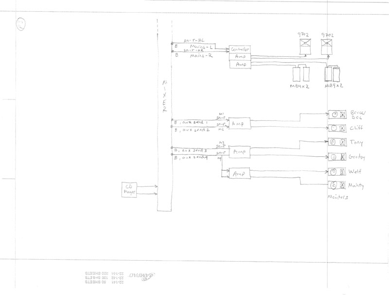
Wiring Diagrams

The original diagrams for the equipment set up are shown here.



First Room and Band

Here's the setup in the first room:



One of the hardest parts of this test was getting the musicians to play on a kind of autopilot.

The problem was that the change from one system was so abrupt that it was easy to be distracted musically.

In a sense they had to tune out your environment and just run the song.

Comments from Ken

According to Ken, the results of these tests were spectacular. "X" marks were taped on the floor in the audience area and on stage so that various listeners could hear the differences between the old and new approaches. According to Ken, "For me, it was a lifelong dream come true to hear how holistic the sound was from the L1 system. The best word I've come up with to describe the sound is 'clarity'. That word covers so much ground for me. It was like going from 2D to 3D."

Comments from Cliff

"We wanted a definitive demonstration of this new stuff we were working on. Although this would be a very elaborate and expensive test, I think it was one of those “know that you know that you know” reinforcers. So we set up my band. The test cemented our belief that we had the right idea. It gave us tremendous inspiration to go forward with the project. From a player’s perspective, I’ve go to tell you what this was like. I guess it was the aural and experiential equivalent of going from the sauna to the ice water pool. It was like being in Honolulu and then, instantly, in Baghdad. It made me dizzy it was so mind-warping. I remember thinking 'please don’t change it back any more'."


Second Room and Band

Here's a photo from the second test, at a different venue with a different band, The Linemen. This is the test for which I included the wiring diagram, above.

At this test we put a camera and a binaural recording dummy head on a dolly and recorded as we one-button-switched between triple and L1 systems.



Electric Guitar Research

This Page Reviewed By Bose


Introduction

A significant part of the L1 research project was devoted to the electric guitar. Of all the musical instruments, Cliff and Ken felt that electric guitar was the locomotive of amplified music. It was an unspoken imperative to learn what was necessary to make what became known as the L1 system suitable for this class of instruments.

Soon after the first round of testing of the 2nd generation prototypes, time was scheduled for about a week of intensive work with professional players to determine definitively if the technology could be made to work in a comprehensive way with electric guitar.

The thinking was simple: the speaker was a new kind of sound delivery system, capable of delivering sound more evenly from the backline to all parts of the stage and room than conventional speakers. If electric guitar tone could be generated upstream of the speaker a new kind of live electric guitar amplifier could emerge. This separation between tone generation and tone delivery had in a sense been made in the recording studio, but not in a live setting except in experimental situations or with a few individual players.

There's more detail on the subject of separating tone from tone delivery in a paper written by Marcus Ryle of Line 6 and Ken Jacob of Bose: White Papers.

The Guitar Summit, June 2002

The week-long guitar project became known as the "Guitar Summit"

The goal was to use our prototype L1 system as a sound delivery system that overcame the problems caused by the extreme directionality of guitar amplifiers. Read more about this: Catalog of Live Music Research Problems

Cliff contacted a sterling electric guitarist named Tony Sarno to help with our testing. Tony used traditional tube amps and a vintage Fender Telecaster that together literally seemed part of his physical body. He was and is a living and breathing part of electric guitar culture and was extremely knowledgeable about the subject. It was felt that if an L1-based system worked for him, it would work for most.

Two other professional electric guitarists were invited to participate in the summit. Each had their own unique brand of "pure guitar-player" DNA. As Cliff says, "Talk to any of them and you'll get all the contents of the Dead Sea Scrolls of Electric Guitar, from the strings to the special cables to the miracle of passing electricity invisibly through a vacuum tube."

The goal of this event was to answer the question, definitively, if the L1 could in fact be used successfully and happily by hard-to-please electric guitarists.


Summit invitation

Here is an excerpted copy of the invitation Ken and Cliff wrote to the participants. Note that the prototypes were called “Muzo” at the time.


From: Henricksen, Clifford
Sent: Thursday, May 16, 2002 1:04 PM
To: Dave Cournoyer (E-mail); Tony Sarno (E-mail); Lituri, Bob
Cc: Jacob, Ken
Subject: Guitar Summit

Guys:

We believe you each understand the potential of Muzo as the sound-delivery part of a new, "redefined" electric guitar. Bobby, you wrote elequently about this after the <executive> demo. Dave, you seemed to get the tone you wanted at the Village Hall gig and Tony, you've started researching the options for what kind of "direct-to tape" guitar signal processors might work with Muzo. So, we're already a good bit of the way there.

The potential here is monumental and of historical importance. Namely, the idea that EVERY NOTE FROM EVERY GUITAR FROM NOW ON WILL BE HEARD BY GUITARISTS, THEIR BANDMATES, AND THEIR AUDIENCES WITH A CLARITY UNLIKE ANYTHING EXPERIENCED BEFORE. Guitar players will play better. Bandmates will hear the guitar part better and be able to react musically as never before. Audiences will hear the guitar without getting their heads blown off or losing the guitar sound in the fog of triple-system amplification.

This is not a small thing, gentlemen. Rather, it is the beginning of a new era in the electric guitar.

We (Cliff and Ken) are not guitarists, and we can't hear what you hear. We don't know what remains to finalize the marriage between the guitar, the signal processing, and the sound delivery system. We sincerely believe that you do know, individually, and collectively. Closing that gap so that the marriage is consummated, and so that each of you can demonstrate the marriage rather than imagine it, is the task we humbly ask you to undertake. In our minds, success means your ownership of an invention that will forever change, and dramatically improve, the sound of the electric guitar. No change to the electric guitar has ever taken place of this magnitude, in our view.

To do this, we propose a two-day "Guitar Summit". In the afternoons, we propose you work together to get the best tone on MUZO, using anything/everything. We think this should include comparisons to the tone you hear in your "sweet spot" using your favorite amp, processor and speaker combinations. Flipping back and forth between the two systems is an obvious no-brainer. All other methods as of yet unseen are also possible. In the evening, we will play concerts where you can confirm in a real performance environment that you have in fact closed the "tone gap". A backup band (Pete, Jeff and Cliff) will accompany you. The work will be yours, not ours. We will try to be like good servants -- there when you need something (gear, advice, etc), but invisible otherwise.

The first goal of this work is to match the "magic tone" you all hear on your favorite setup, on MUZO. If we/you can establish this tone quality out of MUZO (by using anything/everything), it means you are getting "magic tone everywhere" because of how MUZO delivers sound, instead of magic tone in one spot only (which is what you/not your audiences get from a conventional guitar speaker). This will be a mighty achievement. We can then (all) use this information and methodology to teach the guitarists of the world how to do the same thing with their guitars.

However, there is yet a potentially greater opportunity here. MUZO, after all, is a high-fidelity sound system whose radiation pattern covers musicians and audiences with equal sound. It's like a perfectly clear piece of audio glass. Anything you put behind the glass (the desired sound) is what you will hear. In contrast, a conventional guitar amplifier is analogous to a piece of specially-tinted and textured glass. You can only get a small range of sounds from it because it colors and distorts whatever you put behind it. The recording industry is already on to this opportunity, in a very big way. They are closing in on producing "guitar-to-tape" methods that work convincingly to produce not only traditional guitar tone but as-of-yet unheard, new guitar tones. What do you get when you try to reproduce these recorded creations thru your traditional amp? I don't know, but it's not what you hear on the recording. It's heard thru the filtered glass. As Tony pointed out, if these recording methods work well, they will work well on MUZO. And, as new tone and effects get used and produced by modern guitarists, MUZO becomes the ideal (and only!) means of producing these for a live audience, who came to the show to hear live what they hear at home.

We've already experienced this difference: Bobby and Cliff heard a "clean tone" from Bob's PRS guitar that was way past anything they had ever heard from any conventional guitar amplifier (remember this, Bobby, in the Pro demo room?). Thus, the second goal of this work is to experiment with and begin to catalog a series of "new" guitar sounds which can't be produced on conventional amplifiers due to their "filtering" characteristics that can't be removed. This will be "ground zero" for the new, untraditional electric guitar.

Exciting? We think so. So, let's get to work. By means of email, let's choose a 3-day window to work together in Framingham. Ken and Cliff will make all arrangements, including where to work.

Notes from the Daytime Workshop Part of Summit

Here are excerpts of Cliff's notes, sent afterwards to all the participants:

A description of the setups used (traditional and L1) by the three guitarists follows.

Tony Sarno

  • Traditional setup: Fender 1955 Telecaster with George El signal cable, Naylor 112 35w tube amp driving a 4x12 Marshall speaker system with 35w “Greenback” Celestion Speakers
  • L1 setup: Roland VG88 “Virtual Guitar” guitar-to-tape processor and direct box

Procedure: We all listened to Tony’s tone in his “special spot” onstage and then walked the room out front, noting the “alley of doom and distruction” directly in front of the 4x12 and the “far away” sound off to the side. Then we plugged in the Roland VG88 which Tony had been programming the previous week. He tweaked it a bit, we fooled with a 1/3 octave EQ (Dave took over this) and flipped the in/out on the EQ. It took very little time for Tony to say “turn off the EQ, I’m done, this is great, let’s play”. I mean, for the wire and tubes and papercone guy I know, after all these years of electric guitar esoterica, to say this and, yea, completely flip into the new millennium of electric guitar, I for one was floored. I’m looking Tony in the eye, with his Tele strapped on and loving the bath he was getting in sound and I knew it was true.

Bob Lituri

  • Traditional setup: PRS Custom 22 (22 fret) solid electric w/Dragon pickups, Gibson 445 semi-hollow guitar, Peavey Ultra 120 head, lots of pedalboard toys, Marshall 1x12 cabinets with Celestion GM70 12” cone speakers
  • L1 setup: Initially, a Digitec then Fender CyberTwin amp, muted via headphone jack, using line out then using direct out of the Peavey into an equalizer and then into the L1.

Procedure: We tried the Digitec first. It sounded really poor and lifeless and dull, so we discarded this instantly. Then we tried the CyberTwin, which Bobby has had experience but not happy success with. He never liked it much, even with Dave lending help with EQ. Last, we tried Bobby’s “line out” from the Peavey head and he was back on the page. Some more EQ (rolling off the high end and some mid bump/cut, recorded on Buz’s camera and done by Dave) and other EQ made him happy. This did it all. Bobby was ready to play. This actually took some doing and Bob ended up being our toughest customer. The Peavey-direct setup got his system to “talk to the guitar”, which meant some feedback in the right frequency range, so he could get the right or familiar sustain afforded by the feeback.

Dave Cournoyer

  • Traditional setup: Reverend Avenger, 1996 Fender Stratocaster/Barden pickups, PRS Standard 24 with Barden pickups, Paul Rivera TBR1M head, Lexicon MPXG2 processor and 2x12 vertical “ADA Split-stack” cabinet with 2: Celestion/Rivera oem GT80 speakers.
  • L1 setup: output of Lexicon directly into the MUZO via equalizer, using the Lex’s internal “speaker simulator”.

Procedure: Dave was already onboard, having used the MUZO a number of other times, so his setup was almost done before we started. He seems able to work with anything he is given (but I think he is thus far most comfortable with his 2x12 setup). Frankly, we spent very little time on Dave’s setup because of this, and also, I think, because we were all very ear-weary having listened to guitar for many hours on end, in steady concentration. I for one had to leave the building for a while because of this. Also, Dave ended up mostly helping Tony and Bob with their tone and was a very valuable guitar tech and tonemeister for them and for the entire workshop. (Ken and I really appreciate your work on this, Dave. Thanks again). Dave and I worked together on an audible lowmid bump in his system, which he illustrated by showing me how certain notes stuck out on this guitar, thus using the guitar as a realtime analyzer. Soundmen take note. We ended up cutting 250 a bit (3 or 4 dB) and Dave was happy.

General Remarks from Daytime Workshops

From Cliff's notes at the time:

  • I have known Tony for many years and have had endless conversations with him about guitar tone and the “necessity” of tubes, certain cone speakers and the whole electric-guitar-culture “thing”. Of course, virtually every guitarist worth playing with that I have ever known has had a very similar experience and has followed a similar path. So, it’s not a myth. This is a real thing and I know it. Tony is a real traditional simple-is-best, no-frills rock and blues player. He sees and knows this instrument as a very simple, organic acoustical instrument. Probably the biggest result for me of the entire event is that Tony unconditionally pronounced that “this (VG88/MUZZO) is an amp”. This means not a processor or a guitar-to-tape converter but a real guitar amplifier in the truest sense. He made the leap almost instantly purely on the sound of it, but he also is totally and completely aware of how it puts him as an artist in total contact with his audience.


Cliff's Notes from Evening Concert Part of Summit

After the second day of daytime workshops, we were ready to play our evening’s concert. We cleared the stage of all the other gear and got ready. The second evening, we were fully prepared to strike all the guitar gear as both Bob and Dave were convinced they could do it with VG88’s. Unfortunately, the units promised arrived far too close to showtime for anyone’s comfort, and we reverted to the previous evening’s setup, Tony with VG88 and Dave/Bob with their stack ‘o stuff. These were off to the side and everyone paused to admire the very clean and fresh look of the stage: Just musicians and musical instruments; what a concept.

The 3 June concerts were a bit loud for portions of the program, especially for guitar leads (if you can imagine) and vocal leads. Part of this (I think) had to do with the use of a standard “acoustic” drum kit. Plus, we were all in the process of learning how to play through the system together, all having never played together as a group. Ken was in the audience and helped to direct us re: level and so forth. Rehearsal/sound check to run over intro/end of tunes and various details were disconcerting as everyone was still getting used to the whole setup and each other as players. At one point, Tony pointed out that we were all fighting each other and that we should all listen more and play to the vocal or solo. This helped. Also, the whole idea of having 3 electric guitar players on stage at once could have easily been construed as “impossible”, given the (well-earned) reputation these “notoriously-loud” musicians have in general. In this case, we had 3 guitarists with totally different playing styles who quickly recognized each other as an expert in their genre. A tone of mutual respect and appreciation was quickly and organically established and the “nuclear meltdown” some would predict turned into an electric atmosphere of the best electric guitar tone and playing I can ever remember, from either a listener or a bandmate. For me, it was a thing of beauty.

After the first show, Tony commented on how this system “makes you dig deep”. Amen, brother. The whole experience of hearing and knowing that every note and detail of your playing that you hear on stage is what everyone else in the room hears is profound. When showtime comes around, there is no where to hide. This situation leaves you naked and open with only your music to wear as clothing. We know that MUZO can get very loud. However, hiding behind sound level will only succeed in driving your audience away. Saying this and realizing how MUZO gives control to the musicians, it really comes down to being a matter of respect and consideration for your audience. Do they want to get hammered? My guess is “no”. So, you either leave the bandstand or you can dig down and pull out your best. There doesn’t seem to be any middle ground here. I believe that the MUZO system will truly make better players out of all of us, and it will (I predict) make those who won’t or can’t respect their audience either go home or, more probably, be vehement dismissers of the system.

And so, anyway, it came to pass that when showtime did come around, we all did our best and played as a real band. (My conversation with Dave: “Sounds like real music to me, Dave”. “Sounds like a real band to me”) The second (Wednesday, 4 June) concert was second to none, all of us having discussed dynamics and the act of supporting the soloist (vocal/instrument) and generally playing softer. We also used the Roland VDrums exclusively (instead of Peter switching back and forth as in the first night’s concerts) and I think this helped a lot, as the drums always seem to drive any band’s sound level. Wednesday’s second set was a fabulous moonshot. Those who were there know and those who weren’t missed a rare musical moment. I know all musicians live for these rare moments and many keep playing (in spite of all the adversity) so that they are around when the moments do come. “Magic music performances” are not a common experience thus far. Much of it is an annoying and grimy one. However, I don’t think it is a coincidence that this all happened during out guitar workshop concerts. I think that all our instruments, for the most part, sounded fabulous to all of us and the naked, intimate connection with the audience inspired us and made it all possible. Of course, the fact that every musician on stage was an exceptional “team player” helped a lot. Personally, I think this is a prime ingredient of “playing” anyway. But the system, the sound and the situation brought us (and the audience) all together into the same “bubble”. For me it was one of my happiest moments as a musician and I heard some of the best playing and juiciest, most soulful electric guitar playing and tone ever. I felt very fortunate to be there.


Conclusions

Ken and Cliff were ecstatic with the results. To them, the L1 had passed the test of a new kind of electric guitar, using the emerging technologies of nonlinear electric guitar modeling and simple good old sound engineering. They got authentic electric guitar tone, but none of the "different sound for everyone" qualities of a typical guitar amp. They knew it would be an uphill battle, seeing as electric guitarists are a very conservative bunch and hard to please.


From Prototype to Product

This Page Reviewed By Bose


Introduction

Around 2002, enough testing of the 2nd Generation Prototype had been conducted for Bose to feel confident that the concept worked and should be commercialized.

The effort to convert the concept into a product began.

Integral Bass Enclosure

Originally, a bass enclosure integrated into the base that held the mid-high frequency line array was considered.

A number of possible configurations were sketched as shown in the drawings below.

Bass box vertical...



Bass box horizontal...



More of a wood guitar amp feel...



Showing how a musician might pack and carry the gear...



Some of the early ideas stuck (electrical connection between the amps and the speakers is made when you plug in the speaker (no speaker wires) and some did not (the folding speaker connections -- they were judged to be too heavy to carry together.)

The "optional" carry bag became an included item.

Some prototypes of the integral "bass-base" were made in the wood shop...



In this picture only the bottom half of the Cylindrical Radiator is shown.



Ultimately, the concept of integrated bass was abandoned. It was judged too bulky to carry too bulky in appearance.

Separate Bass

The notion of a separate bass enclosure was considered next.

Here's an early sketch from Cliff about one such concept. This was rejected because it ate up to much stage depth.


The Invention of the B1 Bass Module

A Bose MB4 was used for our 2nd generation prototypes. It worked very well, but there were two issues: it was a little bulky to carry, and it was too much bass for some instruments including most guitars, horns, and keyboards.

It was Paul Fidlin (Paul-at-Bose from the Bose® Pro Portable PA Community) (with some input from Wolf from The Linemen) who had led the development of the MB4 and was leading the development of what would be called the L1 Classic, that had the idea of cutting the MB4 in half.

That solved both problems together.

This photo shows the MB4 (right) next to the first cosmetic prototype of what would be called the B1 bass enclosure.

This photo is taken only 13 months before launch. And ToneMatch® technology hadn't even been invented yet.


Creation of the Power Stand

At this point, things moved quickly toward what we now know as the L1 Classic.

With the bass enclosure separated, the duty of the stand was now to hold up the line array speaker and house the electronics.

Logically, the stand need be no more than a circle. This is the most efficient shape to "hold up" the array.

But when the need for inputs and outputs and user controls was considered, it became clear that trying to wrap that around a curve would be expensive and confusing.

That is where the "D" shape of the Classic power stand came from.

This is the first known sketch showing the canonical "D" shape. It's from March of 02.

As you can see, at this point the interface is very simple.



Here's a sketch showing a refinement of the I/O and user controls.

It's May 30, 2002, and there's STILL no ToneMatch.


Two Piece Array Design

One of the most interesting things about commercializing the L1 system was the mechanical design.

Pete Santoro figured out how the two sections of the array snapped together and how the lower section snapped into the power stand.

This is a very tricky design because if you think about it, the 7 foot (2 meter) array is a gigantic lever operating on the poor power stand. Someone exerting a small force at the top of the array can translate to huge forces a the junction of the array with the power stand. This took a lot of creativity and prototyping to get right.

The junction between the two array sections was also tricky. The array sections aren't light. You have to lift the top section and precisely lower it onto the bottom section. The bayonet mechanism that Peter came up with helps to fix and strengthen the joint between the two sections but it also make it pretty easy to line up the two sections and drop the top into the bottom without much fuss.

The "floating" electrical connections between the top and bottom arrays, and the bottom array and the power stand are a small detail, but an important one. The connectors float, so that they don't get worn out with thousands of insertions. This too was Peter's thinking.

A mechanical prototype is shown where we were testing the mechanical connections between top and bottom arrays. The pink plastic is there to provide the right weight and heft so we could test the mechanical design.



The industrial design was done by Rich Carbone (second from left).

He was asked by Ken to make a "black icicle that had dropped to earth from outer space" -- something that was both instantly recognizable and yet was utterly unobtrusive to the music.

Bose won a major design award from the most prestigious professional organization of industrial designers for this design.

In this photo, the first cosmetic prototype, made in the model shop, has just been assembled.

(Left to right: Pete, Rich, Paul, Cliff, Ken)

The photo is dated October 18, 2002, just less than a year before launch.



Inclusion of ToneMatch

ToneMatch technology was added last. It was Hilmar (Hilmar-at-Bose from the Bose® Pro Portable PA Community) that was able to fit the technology onto the DSP he was using on the product. Paul and Ken had to choose a very simple mechanical control for selecting one of 100 different presets.


Commercial Launch Team

This Page Reviewed By Bose


Introduction

For many years, Cliff and Ken worked on this project, occasionally collaborating with colleagues like Joe Kutil and Chris Ickler, Pete Premo, and many others. They all played key and crucial roles in getting approval to move forward and commercialize the technology.

And there were so many musicians that helped. Hundreds. And without their selfless effort and honest feedback, the technology would not be anywhere near as successful.

Upon receiving approval to commercialize, sometime in early 2002, a small team of people was hired who launched the L1 technology in October of 2003. Ken remembers the experience as akin to going into the wilderness for a long time with a new group of people.

Cliff Henricksen

This is Cliff again. The photo was taken when we did an proto-L1 test at a great nightclub in Philadelphia called North by Northwest.

Cliff and Ken piled all the gear in a Ryder van and drove down there. They did an early Music is Human presentation (in a nightclub!) followed by a concert.



Buz Laughlin

This is Buz. He was in charge of developing the prerecorded audio and video content in the Music is Human show (the presentation we used to launch the L1 system.)

Buz did all the interviews with the pro musicians and produced the wonderful video material.

He was the director for Music is Human.

He was a major collaborator on the launch plan.

Buz is a musician and is one of the most passionate consumers of music I've ever met. We share a love of jazz.



Tony Sarno

Next on the team came Tony Sarno.

Tony participated in our early work to understand the electric guitar and how it could work with the L1 technology.

He is a ferocious guitar player and singer, and an excellent songwriter. He's a total Pro.

He's a purist in terms of electric guitar tone and was an extremely tough customer in terms of demanding nothing but the best from the L1 system.

We hired Tony to represent the professional musician on our product development team, and to front the demonstration band we were developing called The Linemen. He was amazing at both.

He later built our team of field-based product experts, many of whom are still with us.


Eve Wrigley, Nick Ward

Next came Eve.

Things were heating up fast as the commercialization plans gelled.

Someone was needed to execute and to stop the rest dreaming up new things.

Eve was a producer that had worked with Bose before. (The best description Ken ever heard of a producer is someone who gets things done.)

She stepped in and immediately took charge of several gigantic looming projects, such as gutting the cafeteria here in our building and completely refitting it as a nightclub.

She organized all of the Music is Human events around the world, including completely taking over Guitar Center stores in Hollywood, Chicago, and New York.

Many of the best performance photos of people playing on L1 systems were taken by Eve.

With Eve in this picture is another member of our team: Nick Ward.

Nick was first hired by the hour to help us set up and tear down for early tests. He was and is a neighbor of Cliff's.

Before long Nick turned into the best stage tech any of us had ever worked with.

Nick is still our first call when we need stage help for a presentation or show we're doing.



Thomas Wilson and Hilmar Lehnert

Next came a powerful Two-fer.

Thomas and Hilmar. They were good friends because they'd been playing in the same band for years -- The Souled Out Superband. In the photo, Hilmar's the guy on bass, and Thomas on keys.

Thomas had helped to the impossible in launching our Quiet Comfort headphones. Hilmar was a DSP wunderkind that had worked in research with me.

Thomas really is the mastermind behind our distribution plan and the business operation we had to build from nothing, or almost nothing. He truly understood how to take a radical new product to market and make it successful.

Hilmar became our engineering leader. He was in charge of what's now known as the L1 Classic, and the L1 model II and T1 audio engine. I think the quality of the engineering on these products speaks for itself.

In case you haven't guessed it already, what drew all of these diverse folks together was a passion for LIVE MUSIC.



Kyle Sullivan

Next came Kyle, a keyboardist who was working with Thomas.

Kyle had/has an incredible ability to make complicated stuff work. And he's a great Technical Director in the dramatic arts field. Among other things, he did that for the Music Is Human shows, which were darned near flawless from my point of view.

Kyle also was the product manager and champion of the PackLite® power amplifier model A1.



Steve Skilling

Steve was a top manager in our dotcom group and an avid musician.

He was instrumental in creating our original presence on the internet.

He also is the person who came to me and said "we're going to have a message board". I remember thinking to myself, I have no idea what you're talking about. Steve knew how big this community would be -- he was a visionary in this respect.

He also is the person who came up with our two most valuable trademarks: L1 and ToneMatch.



The Linemen

And of course, there is The Linemen, the musical group we developed to help us introduce the L1 system.

This photo was taken in Germany during the European launch of the L1 system.

The Linemen worked for about a year developing the music. They also helped us test the system in a wide variety of venues as we were coming down the home stretch before launch.

The band's lead artist was Tony Sarno. Cliff Goodwin was the second guitar and musical director.

Ken said "I think that when all was said about our work, and the band spoke, there was never a doubt in anyone's mind that the claims were true -- at least doubts were never expressed to me. People that I talked to were just floored by the music. It was the ultimate validation of our work, and I am eternally indebted to The Linemen for this."